為什么雷電會流向浪涌保護器?
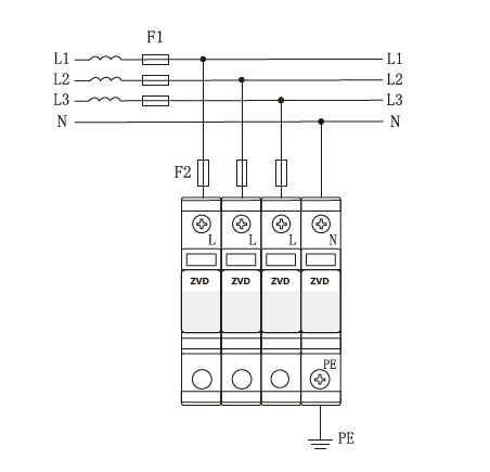
安裝浪涌保護器時,接線形式為并聯,不改變主供電線路,從主線路引線并聯在浪涌保護器上。
接線圖如下所示:
很多朋友會奇怪,為什么雷電流會先流過支路上的浪涌保護器,而不會流向主回路后面的設備,尤其這種并聯式的接線圖,很容易讓人有這種疑問。
根據浪涌保護器廠家經驗,這個問題要從SPD內部器件原理說起。
浪涌保護器內部元器件為壓敏電阻,壓敏電阻是指一種對電壓變化反應靈敏的限壓型元件。其特點是:在規定的溫度下,當電壓超過某一臨界值時,其阻值將急劇減小,通過它的電流急劇增加,電壓和電流不呈線性關系。因此,壓敏電阻又被稱為非線性變阻器。
正常狀態下的浪涌保護器,當加載在浪涌保護器上的電壓沒有達到他的啟動電壓,浪涌保護器對地的阻值呈現無窮大狀態,幾乎是無電流通過的。
當有浪涌電壓出現在線路上,達到浪涌保護器啟動電壓時,其內部的壓敏電阻迅速擊穿導通,其阻值很快下降,使浪涌保護器兩端處于導通狀態,因其阻值極低,雷電流的特性就是哪里阻值低就流向哪里,所以雷電流會流向浪涌保護器,而不是直接沿主線路流向設備。
需要注意的是,浪涌保護器是無法100%的泄放完雷電流的,還是會有一部分殘余浪涌會流過設備,比如中為防雷公司的ACM-40系列浪涌保護器,當浪涌大小為20kA時,其殘壓大約為1700V左右,只要設備耐壓高于殘壓就可以了。
關于這方面內容可以點擊查看之前的文章:浪涌保護器有效保護水平Up/f和設備耐壓水平Uw的介紹
現在,大家明白為什么雷電流會流向浪涌保護器了吧,所以不必擔心,正常使用就可以啦。
ZVD中為防雷,轉載需授權!http://m.021canyin.cn/knowledge/0519440.html
廣東中為智能防雷技術有限公司
