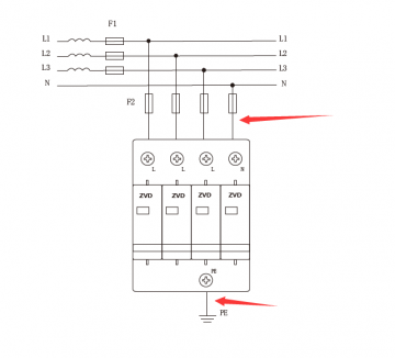
浪涌保護器裝在空開前還是空開后?電源防雷器和空氣開關的前后關系詳解! 浪涌保護器也叫電源防雷器,一般安裝在配電柜內,起到防雷保護效果。 一般該產品安裝在空開后面,但是很多客戶覺得這個產品是防雷防浪涌的,應該裝在開關前面才對。 那么,浪涌保護器
浪涌保護器的選型與總功率有關系嗎?功率越大放電電流也需要越大嗎? 浪涌保護器在選擇放電電流的時候,可以先根據防雷標準GB50057和GB50343來選擇一級二級三級。 但是很多時候一級浪涌和二級浪涌又包含很多的放電電流等級。 比如一級的
一個柜子可以安裝二套浪涌保護器嗎?配電柜需要同時有一級和二級浪涌嗎? 1、一個柜子可以安裝二套浪涌保護器嗎? 一般來說,一個柜子可以安裝兩套浪涌保護器,但需要注意以下幾個問題: 空間限制:安裝兩套浪涌保護器需要占用更多的空間,因此需要確保柜子的
最高罰10萬元||貴州:對雷電防護管理類氣象行政處罰裁量權基準征求意見 附件1:關于《貴州省氣象行政處罰裁量權基準(征求意見稿)》的起草說明 省氣象局政策法規處 2023年3月6日 為了規范氣象行政處罰裁量權行使,促進依法、合理行政,維護公民、法人和其他
山西省氣象局省外雷電防護裝置檢測資質單位在晉從業監督管理辦法(征求意見 山西省氣象局省外雷電防護裝置檢測資質單位 在晉從業監督管理辦法(征求意見稿) 第一條 [ 目的意義 ] 為進一步加強省外雷電防護裝置檢測單位在晉從業的監督管理,落實防雷安全主體責任
帶遠程報警功能的智能浪涌保護器要求! 隨著各種工業系統對智能化集成的要求越來越多,智能防雷監測系統也閃亮登場。目前在智能建筑、高速公路等系統應用較多。 該系統最重要的組成部分就是對浪涌保護器狀態的智能監測,避
Ⅱ級試驗的電涌保護器的up值in值如何選擇? Ⅱ級電涌保護器也叫二級浪涌保護器,指的是測試波形為8/20us的SPD電源防雷器。 二級浪涌保護器的標稱放電電流In和最大放電電流Imax的值很多,從10kA、20kA、40kA到120kA等。 各通流量下的產品,
44人通過!吉林:公示防雷裝置檢測專業技術人員能力評價通過人員名單 3月1日,吉林省氣象學發布《關于對2023年2月吉林省防雷裝置檢測專業技術人員能力評價通過人員名單進行公示的函》,本次防雷裝置檢測專業技術人員能力評價通過44人,詳情請查閱吉林省氣象局網站。 關于對2023年
戶外廣播喇叭線路怎么做防雷?110V廣播信號防雷器來幫忙! 戶外廣播在水利、消防、災害預警、公園小區等領域都有應用,因為其信號線都在戶外走線,防雷風險較高,應考慮防雷措施。 那么,戶外廣播喇叭線路怎么做防雷? 中為防雷給大家介紹一下
電源、網絡信號線、控制線三合一防雷器是什么產品,怎么接線? 為了保護監控攝像頭,監控系統設計方案一般會在攝像頭的供電電源線以及信號傳輸線上安裝防雷器,一般來說電源防雷+網絡防雷的二合一防雷器就足夠了。 那么,電源、網絡信號線、控制線
攝像頭d1類浪涌保護器有哪些類型?網絡二合一防雷器滿足嗎? 監控系統最常用的浪涌保護器就是電源網絡二合一浪涌保護器、三合一防雷器等。 其多合一的結構設計,體積更小,價格相對分開的電源防雷器和網絡防雷器而言也更具競爭力。 近日有客戶咨
為什么浪涌保護器兩端連接導線應短而直,長度之和宜小于0.5米? 要想浪涌保護器起到比較好的防雷效果,除了在浪涌保護器選型時把參數規格選對,在安裝的時候也需要滿足安裝要求。 比如,IEC標準就要求浪涌保護器兩端連接導線應短而直,長度之和宜小
遼寧省氣象學會下發《關于開展2023年第一次雷電防護裝置檢測資質延續認定申 2 月 10 日,遼寧省氣象學會下發《關于開展 2023 年第一次雷電防護裝置檢測資質延續認定申請單位現場評審的通知》。 受遼寧省氣象局政策法規處委托,遼寧省氣象學會根據《雷電防護裝置檢
ii類試驗d級的電源ac220v浪涌保護器是什么產品? 通常情況下,我們選擇浪涌保護器時,會按保護能力將防雷器SPD電涌保護器分為BCD三類。 近日有客戶在項目上碰到一個需求,要求在終端機房配電柜安裝ii類試驗d級的電源ac220v浪涌保護器。 如
廣西氣象局通報2022年度雷電防護裝置檢測質量考核情況 附件 2022年度全區雷電防護裝置檢測資質單位檢測質量考核結果 序號 被考核單位 資質等級 檢測項目名稱 檢測報告編號 考核 結果 存在的問題和相關情況說明 1 廣西安盛建設工程檢測咨詢有限
吉林氣象局發布2022年雷電防護裝置檢測質量考核結果 1月4日,吉林省氣象局發布 《關于2022年吉林省雷電防護裝置檢測質量考核結果的公告》。按照 《吉林省雷電防護裝置檢測質量考核辦法》有關規定,吉林省氣象局委托吉林省氣象災害防御技術
圖紙要求D1類浪涌保護器短路電流1.5kA可以用2kA的替代嗎? 防雷標準要求從室外引入室內的消防信號、模擬量、rs485等信號線路,需要安裝D1類高能量電涌保護器,測試波形為10/350us。 近日,有客戶找我司咨詢D1類浪涌保護器用于24V消防信號總線。 我們
380v總進線柜選用多大浪涌保護器?選一級浪涌還是二級浪涌? 浪涌保護器安裝在各級配件柜,起到防雷保護的作用,不同等級的配電柜安裝的SPD浪涌保護器防雷等級也不一樣。 總進線柜也叫總配電柜,作為電力系統 從變壓器引入 的第一級配電柜,應該裝
云南:83名雷電防護裝置檢測專業技術人員原防雷檢測資格證2022年到期延續 12月28日,云南省氣象學會發布《關于云南雷電防護裝置檢測專業技術人員原防 雷檢測資格證2022年到期轉續人員名單的公示》。根據《國務院關于取消一批職業資格許可和認定事項的決定》 (國發〔2016〕68 號)文件
SPD后備保護器怎么接線,接好后要合上嗎? SPD浪涌專用后備保護器作為浪涌保護器前端專用的后備保護裝置,越來越多的被應用到電力、通信、工控等各個領域的防雷設計中。 相對于傳統的空開斷路器、熔斷器等后備開關,很多工程人
廣東中為智能防雷技術有限公司
